2008 ford escape won t start anti theft
2008 ford escape wont start anti theft 2005 ford escape with electrical issues. Ford junction box smart fusion f350 keyless f250 2005 f450 module f550 2007 alarm oem entry syste lock kit ac.
Used Ford Escape 2012 For Sale In Rochester Mn Rochester Auto Mall
2008 Ford Escape oil change message to reset the oil monitoring system to 100 press SET control to access the system check functions press and release the SET control.
. 2008 blinking anti theft. 2008-2012 Ford Escape No Start Theft Light Flashing Dia. How to remove and repair a 2005 2006 ford escape mazda.
2008-2012 Ford Escape No Start Theft Light Flashing Diagnostic Walkthrough FordTechMakuloco 695K subscribers 25K Dislike Share 487500 views Sep 30 2014 In this. Ford Escape Questions - hood is stuck 2013 escape - CarGurus. 1 vote and 8 comments so far on Reddit.
Get Help w Ford Maintenance Troubleshooting and Repair. 15 Images about Ford Escape Questions - hood is stuck 2013 escape - CarGurus. Ford junction box smart fusion f350 keyless f250 2005 f450 module f550 2007 alarm oem entry.
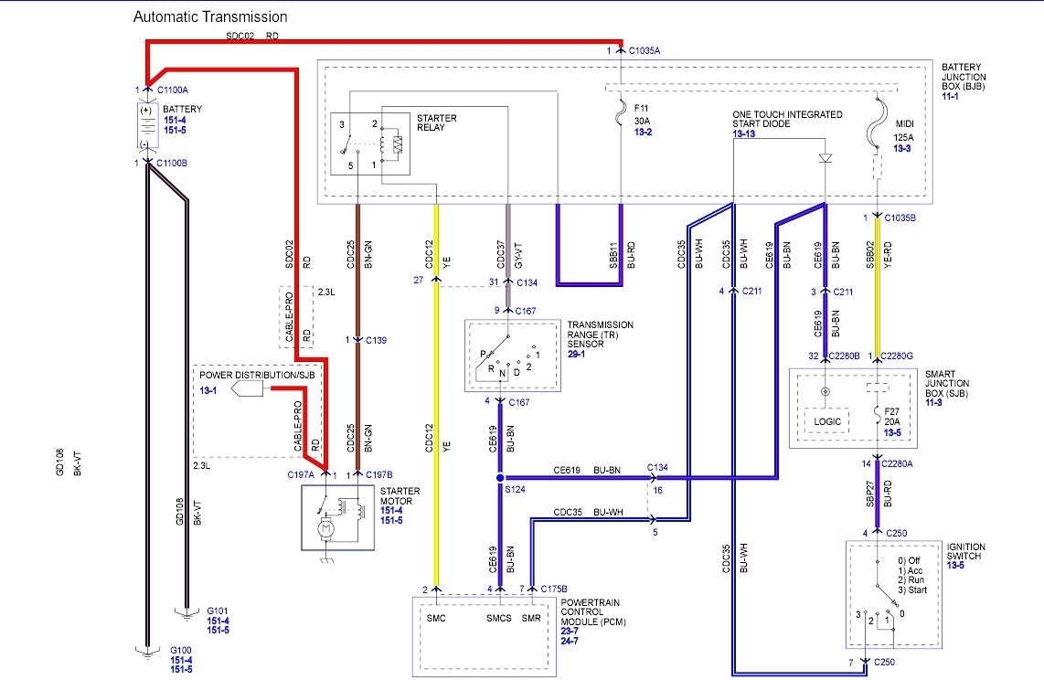
NO START 2008 Ford Escape SUV. Escape ford wheel st neutral switch safety diagram location fuse box tires volvo truck rims wants bring. In this video I show you just how simple this fix is for what is becoming a common issue on the Ford Focus.
The car will not start now. Ford escape wont start anti theft. 2008 Ford Escape Stock No.
2008 V6 4wd model 97000 miles sometimes you try to crank and nothing happens retry a second later cranks. Asked by Mike Jun 17 2019 at 0928 PM about the 2008 Ford Escape Hybrid Base. Ford 2008 start focus 2009 ignition relay starter removal switch crank theft escape light flashing locat.
Ford Escape V6 THEFT Light And Engine Problems Including. 2007 ford escape review and pictures. Up to 15 cash back 2008 Ford Escape Anti Theft Locking device has some how been activated while I was cleaning the car.
Ford 2821 crank escape. 2008 Blinking Anti Theft. Turns over but wont start Just replaced.
Turns over but wont start Just replaced How To Remove And Repair A 2005 2006 Ford Escape Mazda. Find the ignition switch plate on the steering column and use a screwdriver to loosen the panel then remove it and put it somewhere safe. It will only take around 3 minutes of Your time.
Car Will Not Start. Ad Chat with On-Call Mechanics Now. The first thing You will need to do is go to the.
At this point You will need to reset Your anti-theft system. 2008 Escape intermittent will not start-anti theft. Theft anti escape ford stuck mode enlarge.
Find the anti-theft alarm wire. This is easy to do. The car worked fine until we changed the battery.
O10373 By Opal Auto Group Dallas TX.
Ford Explorer Questions Anti Theft Light Blinking Fast Engine Won T Start Cargurus
Used 2012 Ford Escape Xlt 4wd For Sale In Coventry Ri 02816 Auto Village
Ford Escape Questions Car Alarrm Goes Off Without Apparent Reason Cargurus
2008 2012 Ford Escape Fuse Box Diagram Fuse Diagram
No Crank No Start And The Anti Theft Light Flickering
Amazon Com Mpc Factory Remote Activated Remote Start Kit For 2008 2012 Ford Escape Key To Start Semi Plug N Play Uses Factory Key Automotive
I Have 2008 Ford Escape Problem Is The Factory Alarm Is Being Triggered By A Little Touch Or A Car Passing By This Is
01 04 Ford Escape Ignition Cylinder Anti Theft Pats Transceiver 98vp 15607 Ab Ebay
For 2008 2012 Ford Escape Oe Style Black Headlights Left Right Lights Lamps Walmart Com
2008 Ford Escape Xlt Only 88 Km 4wd Accident Rust Free Red Pristine Auto Sales And Service Wheels Ca
Review 2010 Ford Escape Hybrid Makes Being Green Easy Autoblog
05 Escape Anti Theft Alarm Going Off Page 2 Ford Truck Enthusiasts Forums
Clever Tricks To Solve When The Anti Theft System Car Wont Start
2005 2008 Ford Escape Hybrid No Crank No Start High Voltage Pack Jump Start Procedure Youtube
New 2022 Ford Escape Sel Sport Utility T181761n Van Horn Automotive Group
Solved Door Open Light Goes On And Off And Alarm Off And On 2001 2007 Ford Escape Ifixit
Used 2010 Ford Escape For Sale In Denver Co Edmunds
Amazon Com Ignition Lock Housing With Anti Theft Bolt Replaces 989 019 9l8z3511a 9l8z 3511 A Zzdb66160 Fit For 2008 2012 Ford Escape 2008 2011 Mazda Tribute 2008 2010 Mercury Mariner 2009 2011 Ford Focus Automotive
